[AutoCAD & CAT 2±Þ]
°³°³¯Â¥ : 2026³â 2¿ù 23ÀÏ °³°½Ã°£ :¿ÀÈÄ 1½Ã - CATÀڰݰúÁ¤/AutoCAD(ÁÖ 5ȸ ¼ö¾÷) °³°½Ã°£ : ¿ÀÈÄ 3½Ã - CATÀڰݰúÁ¤/AutoCAD(ÁÖ 5ȸ ¼ö¾÷) °³°½Ã°£ : Àú³è 7½Ã - CATÀÚ°Ý/AutoCAD(ÁÖ 4ȸ ¼ö¾÷-¿ù¼ö¸ñ±Ý)
[2026³â 1ȸ Àü»êÀÀ¿ë±â°èÁ¦µµ±â´É»ç ½Ç±â´ëºñ¹Ý] °³°³¯Â¥ : 2026³â 2¿ù 23ÀÏ °³°½Ã°£ : ¿ÀÈÄ 7½Ã~9½Ã(ÁÖ 4ȸ ¼ö¾÷-¿ù¼ö¸ñ±Ý)
½Ç±â½ÃÇèÀº ªÀº ½Ã°£¿¡ ¿Ï¼ºµÇ´Â °ÍÀÌ ¾Æ´Ï±â ¶§¹®¿¡ ²ÙÁØÈ÷ ¿¬½ÀÇÏ¿© ¾î¶² ÇüÅÂÀÇ ½ÃÇè¹®Á¦°¡ ³ª¿À´õ¶óµµ ¹®Á¦¸¦ Ç® ¼ö ÀÖ´Â ¿ª·®À» Ű¿ö¾ß ÇÕ´Ï´Ù. ½ÇÁ¦ ½ÃÇè¿¡ ³ª¿Â À¯ÇüµéÀ» »ìÆìº¸¸é ÃÖ¼Ò 16°¡Áö ÀÌ»óÀÌ ³ª¿À´Â °ÍÀ» º¼ ¼ö ÀÖ½À´Ï´Ù. ÀϺÎÇпøÀ̳ª ÇлýµéÀÌ µ¿·ÂÀü´ÞÀåÄ¡°¡ °¡Àå ¸¹ÀÌ ÃâÁ¦°¡ µÈ´ÙÇÏ¿© ¿À·ÎÁö µ¿·ÂÀü´ÞÀåÄ¡¸¸ ÁغñÇÏ´Â Çлýµé°ú ÇпøµéÀÌ ÀÖ½À´Ï´Ù. Àü»êÀÀ¿ë±â°èÁ¦µµ, ±â°è¼³°è»ê¾÷±â»ç, ÀϹݱâ°è±â»ç µî ¸¹Àº ÀÛ¾÷Çü ½ÃÇèµéÀº ¿©·¯ À¯ÇüÀÇ ¹®Á¦°¡ ³ª¿À±â ¶§¹®¿¡ ´Ù¾çÇÑ ¿¹Á¦µéÀ» Ç®¾îº¸¾Æ¾ß ÇÕ´Ï´Ù. »õÀÎCADµðÀÚÀÎÇпøÀº AutoCAD¸¦ ÀüÇô»ç¿ëÇÏÁö ¾Ê°í ¿À·ÎÁö Inventor¸¦ ÀÌ¿ëÇÏ¿© 3D/2D µµ¸éÀ» ¿Ï¼ºÇÏ´Â °úÁ¤À» ¿î¿µÇϰí ÀÖ½À´Ï´Ù. ½ÇÁ¦ ȸ»ç¿¡¼µµ 3D CAD¿¡¼ 2D µµ¸é±îÁö ¿Ï¼ºÇϰí Àֱ⠶§¹®¿¡ AutoCAD¿Í 3D CAD¸¦ °°ÀÌ »ç¿ëÇÒ ÀÌÀ¯°¡ ¾ø½À´Ï´Ù.
¿©·¯ºÐµéÀÌ ¸ðµ¨¸µÇÑ Á¦Ç°À» 3D ÇÁ¸°ÅÍ·Î Á÷Á¢Ãâ·ÂÇÏ¿© È®ÀÎÇØ º¼ ¼ö ÀÖµµ·Ï Çϰí ÀÖ½À´Ï´Ù. 3D CAD¿Í 3D ÇÁ¸°ÅͰ¡ ÇÕÃÄÁø 3DÇÁ¸°ÅÍ¿î¿ë±â´É»ç ½ÃÇèµµ ´Ù¸¥ Áغñ¾øÀÌ Áغñ°¡ µÇ´Â °ÍÀÔ´Ï´Ù. ÀϹÝÇпø°ú Â÷º°ÈµÈ ±³À°À» ¿î¿µÇϰí ÀÖ´Â »õÀÎCADµðÀÚÀÎÇпø¿¡¼ ÇÕ°ÝÀÇ ¿µ±¤À» ´©¸®½Ã±â ¹Ù¶ø´Ï´Ù.
| ȸÂ÷ | Á¾¸ñ | ½Ç±â¿ø¼Á¢¼ö | ½Ç±â½ÃÇè | | 1ȸÂ÷ | Àü»êÀÀ¿ë±â°èÁ¦µµ±â´É»ç | 2¿ù 2ÀÏ(¿ù) ~ 2¿ù 5ÀÏ(¸ñ) | 3¿ù 14ÀÏ(Åä) ~ 4¿ù 1ÀÏ(¼ö) |
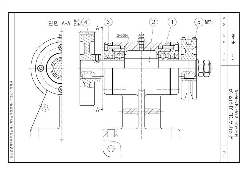
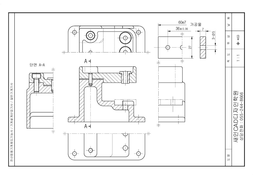
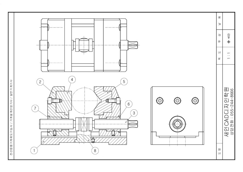
[ ¼ö¾÷¿¡ »ç¿ëµÇ´Â ¿¹Á¦µµ¸é ÀϺΠÀÔ´Ï´Ù.]







 |